TITAN130燃气轮机发电机组设计总结
TITAN130燃气轮机发电机组是从美国索拉公司引进的,该机组技术先进,具有效率高、起动快、加负荷快、工作可靠性高、自动化程度高、操作方便等特点。
TITAN130燃机采用单轴设计。空气通过进气装置进入压气机被压缩后进入燃烧室,压缩空气与燃料在燃烧室内混合燃烧。燃烧产生的高温燃气通过涡轮膨胀做功,推动涡轮旋转。涡轮驱动压气机压缩空气,同时驱动发电机发电。
一、TITAN130燃机参数:
1.1 压气机:
- 级数:14级(6级可调)压缩比:17:1
- 流量:47.8Kg/sec 转速:11197rpm
- PCD压力:1552Kpa
1.2 燃烧室:
- 型式:环型 点火方式:火炬式(1只)
- 燃料喷嘴数:21个
1.3 燃气涡轮:
- 型式:反动式 级数:3级
- 涡轮入口温度:1149℃ 排气温度:486℃
1.4 发电机:
- 发电机额定电压:10.5KV 发电机额定电流:817A
- 发电机额定功率:15MW(标准的ISO条件下)
- 发电机频率:50HZ 发电机功率因数:0.8
- 燃料发电率:3.43kw/Nm3
- 发电效率:35.2%
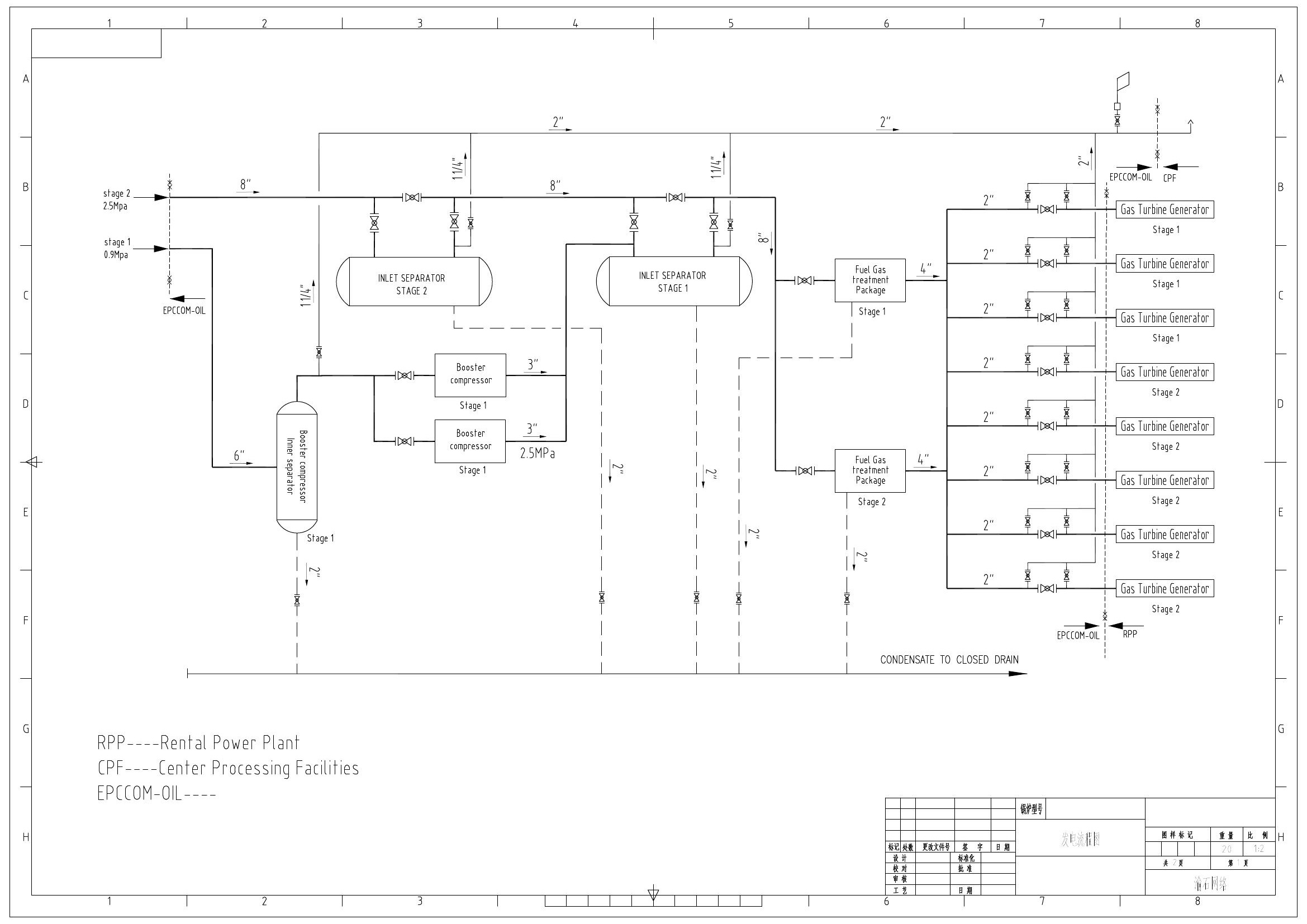
二、项目介绍:
为了优化设备利用率,项目的容量将根据电力需求的增加而增加。因此,该项目将分以下两个阶段执行:
- 第1阶段:RPP-1,现场输出容量为20MW(电力需求为14.4MW~16.5MW)。
- 第2阶段:RPP-2,现场输出容量为40MW(电力需求约31.3MW)。现场总输出容量:60MW,总电力需求48MW。
对于RPP-1阶段,将考虑三台气体燃料Titan 130发电机。两台气体燃料发电机将运行,另一台双燃料机组备用。当RPP-2阶段时,将增加五台,四台运行,一台备用。RPP的最终配置为六台运行,两台备用。
三、工艺流程图:
发电工艺流程图
学生:黄建春
2024年04月21日